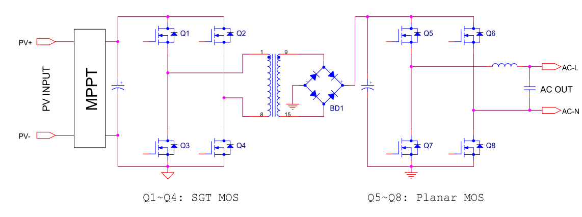
By Optimizing the diode Ta/Tb (Turn-on time/Turn-off time) soft recovery characteristics,it has greatly reduce the occurrence of harmonic oscillations to reduce or reduce the use of EMI suppression devices or specifications around the bridge, such as X capacitor, common mode inductor, differential mode inductor, etc.
World Planar MOS has the characteristics of low RDs (on) and Ciss ,as well as strong EAS performance, which can meet the requirements of product efficiency and reliability.
|
TYPE |
Package |
Channel |
VDSS(V) |
VGS(V) |
ID |
VGS(th) (V)Min. |
VGS(th) (V)Max. |
RDS(on)@ VGS=10V(mΩ)Typ. |
RDS(on)@ VGS=10V(mΩ)Max. |
Download |
|
MPR11N45CTF |
TO-220F |
N |
450 |
±30 |
11 |
2 |
4 |
500 |
750 |
|
|
MPR5N50D |
TO-252 |
N |
500 |
±30 |
5 |
2.5 |
4.5 |
1550 |
/ |
|
|
MPR13N50CTF |
TO-220F |
N |
500 |
±30 |
13 |
2 |
4 |
430 |
470 |
|
|
MPR18N50CTF |
TO-220F |
N |
500 |
±30 |
18 |
2 |
4 |
240 |
280 |
|
|
MPR7N65CTF |
TO-220F |
N |
650 |
±30 |
7 |
2 |
4 |
1200 |
1400 |
|
|
MPR10N65CTF |
TO-220F |
N |
650 |
±30 |
10 |
2 |
4 |
780 |
820 |
|
|
MPR12N65CTF |
TO-220F |
N |
650 |
±30 |
12 |
2 |
4 |
650 |
850 |
|
|
MPR20N65CTF |
TO-220F |
N |
650 |
±30 |
20 |
2 |
4 |
420 |
500 |
|
|
MPR6N70CTF-T |
TO-220F |
N |
700 |
±30 |
6 |
2 |
4 |
1100 |
1200 |
|
|
MPR3N90CT |
TO-220AB |
N |
900 |
±30 |
3 |
3 |
4.5 |
5000 |
5500 |
|
|
MPR8N90CT |
TO-220AB |
N |
900 |
±30 |
8 |
2.7 |
4 |
1200 |
1500 |
|
|
MPR9N90CT |
TO-220CB |
N |
900 |
±30 |
9 |
3 |
5 |
920 |
1200 |
|
|
MPR9N90CTF |
TO-220F |
N |
900 |
±30 |
9 |
3 |
5 |
920 |
1200 |
|
|
MPR3N150PT |
TO-247 |
N |
1,500 |
±30 |
3 |
3 |
5 |
6100 |
7000 |


Authorized Dealer














