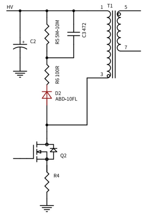
By Optimizing the diode Ta/Tb (Turn-on time/Turn-off time) soft recovery characteristics,it has greatly reduce the occurrence of harmonic oscillations to reduce or reduce the use of EMI suppression devices or specifications around the bridge, such as X capacitor, common mode inductor, differential mode inductor, etc.
World Absorb Diode Rectifier,it has a longer storage time and lower Irr, as well as a longer and gentle slope of reverse recovery characteristics which can smoothly recover the current. It is applied to the RCD absorption circuit of power supply for better EMI characteristics to meet high efficiency and high reliability requirements of power supply products.



Authorized Dealer













