By Optimizing the diode Ta/Tb (Turn-on time/Turn-off time) soft recovery characteristics,it has greatly reduce the occurrence of harmonic oscillations to reduce or reduce the use of EMI suppression devices or specifications around the bridge, such as X capacitor, common mode inductor, differential mode inductor, etc.
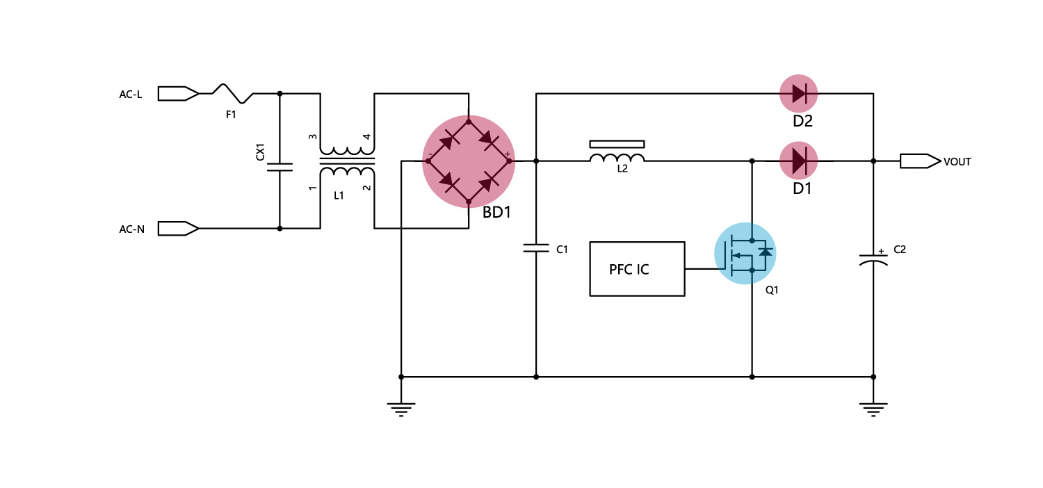
PFC Circuit Application
Application Overview
Power Factor Correction (PFC) is adopted for non-sinusoidal current waveform distortion, which forces the AC line current to track the instantaneous change trajectory of voltage waveform, and keeps the current and voltage in -phase, solving the correction of the current waveform. At the same time,it also solves the problem of voltage and current in phase and has an effect on boosting.
Circuit schematic

Soft recovery bridge products:
|
Type |
Current |
Voltage |
Package |
Application |
VF @25℃ |
IR(uA)25℃ |
IR(mA)125℃ |
IFSM(A) |
Tj(℃) |
|
WRGBU610 |
6 |
1000 |
GBU |
90W |
5 |
0.1 |
150 |
-55 to +175 |
|
|
WRD3K610 |
6 |
1000 |
D3K |
90W |
5 |
0.1 |
150 |
-55 to +175 |
|
|
WRLBS60M |
6 |
1000 |
LBS |
90 |
5 |
0.1 |
170 |
-55 to +175 |
|
|
WRLBS80M |
8 |
1000 |
LBS |
100 |
5 |
0.1 |
200 |
-55 to +175 |
|
|
WRGBU810 |
8 |
1000 |
GBU |
100W |
5 |
0.1 |
180 |
-55 to +175 |
|
|
WRGBP810 |
8 |
1000 |
GBP |
100W |
5 |
0.1 |
180 |
-55 to +175 |
|
|
WRD3K810 |
8 |
1000 |
D3K |
100W |
1.0@4A |
5 |
0.1 |
180 |
-55 to +175 |
|
WRRBU810 |
8 |
1000 |
RBU |
100W |
1.0@4A |
5 |
0.1 |
180 |
-55 to +175 |
|
WRKBJ1008 |
10 |
800 |
KBJ |
100W |
5 |
0.1 |
200 |
-55 to +175 |
|
|
WRGBU1010 |
10 |
1000 |
GBU |
120W |
5 |
0.1 |
200 |
-55 to +175 |
|
|
WRD3K1008 |
10 |
800 |
D3K |
100 |
5 |
0.1 |
240 |
-55 to +175 |
|
|
WRGBU1510-TB |
15 |
1000 |
GBU |
150 |
5 |
0.1 |
240 |
-55 to +175 |
|
|
WRGBU1510 |
15 |
1000 |
GBU |
150W |
1.0@7.5A |
5 |
0.1 |
240 |
-55 to +175 |
|
WRRBU1510 |
15 |
1000 |
RBU |
130W |
1.0@7.5A |
5 |
0.1 |
240 |
-55 to +175 |
|
WRKBJ1510 |
15 |
1000 |
KBJ |
130W |
1.0@7.5A |
5 |
0.1 |
240 |
-55 to +175 |
Low VF Bridge products
|
Type |
Current |
Voltage |
Package |
Application |
VF @25℃ |
VF @125℃ |
IR(uA)25℃ |
IR(mA)125℃ |
IFSM(A) |
Tj(℃) |
|
MSB40JL |
4 |
600 |
MSB |
50W |
0.79@2A |
5 |
0.1 |
150 |
-55 to +150 |
|
|
LSB40JL |
4 |
600 |
LSB |
60W |
5 |
0.1 |
150 |
-55 to +150 |
||
|
GBP406L |
4 |
600 |
GBP |
65W |
0.79@2A |
10 |
0.5 |
80 |
-55 to +150 |
|
|
RBU406L |
4 |
600 |
RBU |
65W |
0.79@2A |
10 |
0.5 |
120 |
-55 to +150 |
|
|
GBU806L |
8 |
600 |
GBU |
100W |
0.82@4A |
5 |
0.1 |
120 |
-55 to +150 |
|
|
KBJ806L |
8 |
600 |
KBJ |
100W |
0.82@4A |
10 |
0.5 |
120 |
-55 to +150 |
|
|
RBU806L |
8 |
600 |
RBU |
100W |
0.82@4A |
10 |
0.5 |
120 |
-55 to +150 |
|
|
GBU8L06 |
8 |
600 |
GBU |
100W |
5 |
0.1 |
120 |
-55 to +150 |
||
|
GBU8V06 |
8 |
600 |
GBU |
100W |
5 |
0.1 |
200 |
-55 to +150 |
||
|
GBU1006L |
10 |
600 |
GBU |
120W |
10 |
0.5 |
150 |
-55 to +150 |
||
|
GBU1506L |
15 |
600 |
GBU |
150W |
0.84@7.5A |
10 |
0.5 |
300 |
-55 to +150 |
|
|
KBJ1506L |
15 |
600 |
KBJ |
150W |
0.84@7.5A |
10 |
0.5 |
300 |
-55 to +150 |
|
|
RBU1506L |
15 |
600 |
RBU |
150W |
0.84@7.5A |
10 |
0.5 |
300 |
-55 to +150 |
|
|
GBJ1506L |
15 |
600 |
GBJ |
150W |
0.9@7.5A |
0.84@7.5A |
10 |
0.5 |
300 |
-55 to +150 |
|
GBJ1508L |
15 |
800 |
GBJ |
150W |
0.8@7.5A |
10 |
0.5 |
300 |
-55 to +150 |
|
|
GBU15V06 |
15 |
600 |
GBU |
150W |
5 |
0.1 |
250 |
-55 to +150 |
||
|
GBU15L06 |
15 |
600 |
GBU |
150W |
10 |
0.5 |
250 |
-55 to +150 |
||
|
GBJ2506L |
25 |
600 |
GBJ |
250W |
0.9@12.5A |
10 |
0.5 |
300 |
-55 to +150 |
|
|
GBU2506L |
25 |
600 |
GBU |
200W |
10 |
0.5 |
300 |
-55 to +150 |
||
|
GBJ2508L |
25 |
800 |
GBJ |
250W |
10 |
0.5 |
300 |
-55 to +150 |
||
|
DXB2508L |
25 |
800 |
DXT |
300W |
0.91@12.5A |
0.85@12.5A |
10 |
0.5 |
300 |
-55 to +150 |
|
GBU25V06 |
25 |
600 |
GBU |
250W |
5 |
0.1 |
300 |
-55 to +150 |
||
|
GBJ25V06 |
25 |
600 |
GBJ |
250W |
5 |
0.1 |
300 |
-55 to +150 |
||
|
DXT4008L |
40 |
800 |
DXT-5 |
500W |
0.90@20A |
10 |
0.5 |
450 |
-55 to +150 |
|
|
DXT6008L |
60 |
800 |
DXT-5 |
600W |
0.95@30A |
0.90@30A |
10 |
0.5 |
500 |
-55 to +150 |
Silicon Carbide-like diode,SIC Diode products
|
Type |
Current(A) |
Voltage(V) |
Package |
Application |
VF @25℃ |
VF@125℃ |
Trr(ns) |
IR(uA)25℃ |
IR(mA)125℃ |
IFSM(A) |
Tj(℃) |
|
TSR6T600ACT |
6 |
600 |
TO-220AC |
类碳化硅 |
2.0@6A |
/ |
1 |
0.03 |
80 |
-55 to +150 |
|
|
TSR6T650ACT |
6 |
650 |
TO-220AC |
类碳化硅 |
/ |
1 |
0.03 |
80 |
-55 to +150 |
||
|
SSR6C65ACT |
6 |
650 |
TO-220ACT |
碳化硅 |
/ |
2 |
0.03 |
65 |
-55 to +150 |
||
|
TSR8T600ACT |
8 |
600 |
TO-220AC |
类碳化硅 |
/ |
50 |
0.3 |
120 |
-55 to +150 |
||
|
TSR8T650ACT |
8 |
650 |
TO-220AC |
类碳化硅 |
2.2@8A |
/ |
1 |
0.03 |
120 |
-55 to +150 |
|
|
TSR10T600ACT |
10 |
600 |
TO-220AC |
类碳化硅 |
/ |
50 |
0.3 |
130 |
-55 to +150 |
||
|
SSR10C65ACT |
10 |
650 |
TO-220ACT |
碳化硅 |
1.55@10A |
1.95@10A |
/ |
5 |
0.01 |
530 |
-55 to +150 |
|
SSR20C65APT |
20 |
650 |
TO-247 |
碳化硅 |
/ |
5 |
0.01 |
800 |
-55 to +150 |
||
|
SSR30C65APT |
30 |
650 |
TO-247 |
碳化硅 |
/ |
5 |
0.01 |
1040 |
-55 to +150 |
Super-fast recovery diode products
|
Type |
Current(A) |
Voltage(V) |
Package |
Application |
VF@25℃ |
VF@125℃ |
Trr(ns) |
IR(uA)25℃ |
IR(mA)125℃ |
IFSM(A) |
Tj(℃) |
|
ES5JB |
5 |
600 |
SMB |
GPP |
1.7@5A |
/ |
10 |
100 |
150 |
-55 to +150 |
|
|
ES5JC |
5 |
600 |
SMC |
GPP |
1.7@5A |
/ |
10 |
100 |
150 |
-55 to +150 |
|
|
MURE1080ACF |
10 |
800 |
TO-220FAC |
FRED |
/ |
5 |
100 |
150 |
-55 to +150 |
||
|
MUR1080ACF |
10 |
800 |
TO-220ACF |
GPP |
/ |
5 |
0.25 |
150 |
-55 to +150 |
||
|
ES8JSP |
8 |
600 |
TO-277 |
GPP |
/ |
5 |
0.1 |
130 |
-55 to +150 |
||
|
ES5JSP |
5 |
600 |
TO-277 |
GPP |
/ |
5 |
0.1 |
110 |
-55 to +150 |
||
|
ES3JSP |
3 |
600 |
TO-277 |
GPP |
/ |
5 |
0.1 |
90 |
-55 to +150 |
||
|
ES3JB |
3 |
600 |
SMB |
GPP |
/ |
5 |
0.1 |
90 |
-55 to +150 |


Authorized Dealer








